Back to Portfolio


Model Train Car
Personal

Project Overview
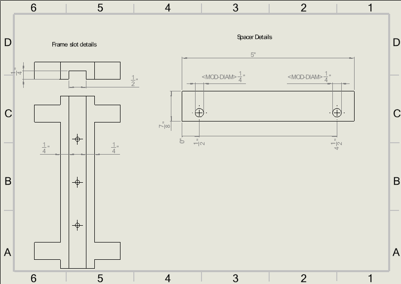
A model of a logging transport train car designed for us to assemble in our 3rd year manufacturing design course. The design includes brackets to hold the logs, a spacer to align the wheels and a magnetic coupling to allow it to attach to other groups train cars.


Project Details
Client:Engineering Course Project
Year:2024
Category:Personal
Services Provided
- 3D Modeling
- Technical Drafting
Interested in a similar project?
Contact us to discuss your project requirements and how we can help bring your vision to life.
